Memdabad Road, Ahmedabad - 382445, Gujarat. sales@suryascientific.com

Our Location

Sketches

Bromine Recovery Plant
Distillation
Fractional Distillation Unit
Gas Absorber Adiabatic
Gas Absorber Falling Film
Gas Generation Unit Boiling
HCL Gas Generation Unit Cacl Route
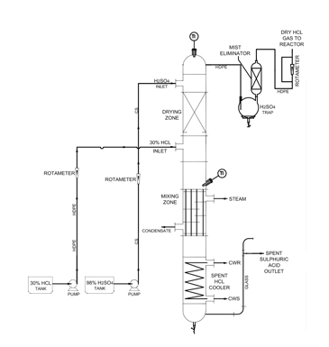
HCL Gas Generation Unit Sulphuric
Liguid Liquid
Simple Distilation
Sollid Liquid
Sulphuric Acid Dilution unit