A variety of stirrer & stirrer drives are available to use glass vessels as agitated reaction equipment
- Stirrer material of construction: Glass, Stainless Steel or PTFE Lined
- Stirrer Design: Impeller stirrer with blades, Vortex stirrer, Propeller Stirrer & anchor Stirrer
- Stirring Drive: Non-flameproof or Flameproof stirrer drive, 192 RPM with Variable Frequency Drive.
- Stirring Assembly: Stirring Assembly with bellow seal or with mechanical seal.
STIRRERS
Stirrers are assembled in a vessel using a chuck, seal & a reducer. A typical arrangement of stirrer fitted in a vessel is shown in the diagram.
| Size | A | B | C | D | L |
|---|---|---|---|---|---|
| 20 L | 250 | 150 | 450 | 25 | 825 |
| 50 L | 300 | 200 | 600 | 50 | 1050 |
| 100 L | 300 | 250 | 700 | 50 | 1200 |
| 200 L | 300 | 300 | 900 | 50 | 1450 |
| 300L | 300 | 25 | 1000 | 50 | 1275 |
CHUCK & SEAL
This unit is suitable for use under corrosive conditions. Only glass and PTFE are exposed to process fluids. Bellow seal can be used under vacuum down to 10mm Hg absolute. Mechanical seal can be use under vacuum 1mm Hg absolute or under pressure permitted into glass vessels. Generally a reducer is require to connect the chuck and seal to top neck of the vessel
| Cat.Ref. Bellow Seal | Cat.Ref. Mechanical Seal | Vessel | DN | L | L1 | d |
|---|---|---|---|---|---|---|
| CSA1* | CSM1* | 20 L | 50 | 300 | 250 | 25 |
| CSA1.5* | CSM1.5* | 50,100, 200 L | 80 | 360 | 300 | 47 |
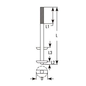
STIRRER WITH TEFLON BLADES
These stirrers are used with liquid of lowviscosity.
| Cat.Ref. | Vessel | L | L1 | L2 | L3 | d | D |
|---|---|---|---|---|---|---|---|
| STB10 | 10 | 600 | 300 | 15 | 175 | 25/td> | 100 |
| STB20 | 20 | 825 | 300 | 25 | 200 | 25 | 100 |
| STB50* | 50 | 1050 | 300 | 25 | 200 | 47 | 150 |
| PSTB100* | 100 | 1200 | 300 | 30 | 250 | 47 | .175 |
| STB200* | 200 | 1450 | 300 | 30 | 325 | 47 | 200 |
| STB300 | 300 | 1550 | 350 | 30 | 425 | 59 | 275 |
VORTEX STIRRER
These stirrers are used with liquid of lowviscosity containing small solid particles.
| Cat.Ref. | Vessel | L | L1 | L2 | d | D |
|---|---|---|---|---|---|---|
| STV50 | 50 | 1050 | 300 | 50 | 47 | 95 |
| STV100 | 100 | 1200 | 300 | 65 | 47 | 140 |
| STV200 | 200 | 1450 | 300 | 65 | 47 | 190 |
PROPELLER STIRRER
These stirrers are used with liquid of highviscosity or liquid with big solid particles
| Cat.Ref. | Vessel | L | L1 | L2 | d | D |
|---|---|---|---|---|---|---|
| STP50 | 50 | 1050 | 300 | 50 | 47 | 95 |
| STP100 | 100 | 1200 | 300 | 65 | 47 | 145 |
| STP200 | 200 | 1450 | 300 | 65 | 47 | 210 |
STIRRING ASSEMBLY WITH MECHANICAL SEAL
A stirrer is assembled in chuck withmechanical seal and appropriate reducer.This assembly is convenient to install on a vessel. The assembly consist of :
- a. Glass stirrer STB/STV/STP
- b. Chuck and mechanical seal CSM
- c. Reducer PR
| Cat.Ref. | For Vessel | Stirrer Used | Chuck & Seal | Reducer Used |
|---|---|---|---|---|
| STBM20 | 20L | STB20 | CSA1 | PR4/2 |
| STBM50* | 50L | STB50 | CSA1.5 | PR6/3 |
| STBM100* | 100L | STB100 | CSA1.5 | PR9/3 |
| STBM200 | 200L | STB200 | CSA1.5 | PR12/3 |
| STBM300 | 300L | STB300 | STB300 | PR16/4 |
| STVM50 | 50L | STV50 | CSA1.5 | PR6/3 |
| STVM100 | 100L | STV100 | CSA1.5 | PR9/3 |
| STVM200 | 200L | STV200 | CSA1.5 | PR12/3 |
| STVM300 | 300L | STV300 | CSA2 | PR16/4 |
| STPM50 | 50L | STP50 | CSA1.5 | PR6/3 |
| STPM100 | 100L | STP100 | CSA1.5 | PR9/3 |
| STPM200 | 200L | STP200 | CSA1.5 | PR12/3 |
| STPM300 | 300L | STP300 | CSA2 | PR16/4 |
STIRRING ASSEMBLY SS PTFE LINED
| Cat.Ref. | For Vessel | Stirrer Used | Chuck & Seal | Reducer Used |
|---|---|---|---|---|
| STBM20/P | 20L | SS PTFE LINED | CSA1 | PR4/2 |
| STBM50/P | 50L | SS PTFE LINED | CSA1.5 | PR6/3 |
| PR6/3 | 100L | SS PTFE LINED | CSA1.5 | PR9/3 |
| STBM200/P | 200L | SS PTFE LINED | CSA1.5 | PR12/3 |
| STBM300/P | 300L | SS PTFE LINED | CSA2 | PR16/4 |
| STVM50/P | 50L | SS PTFE LINED | CSA1.5 | PR6/3 |
| STVM100/P | 100L | SS PTFE LINED | CSA1.5 | PR9/3 |
| STVM200/P | 200L | SS PTFE LINED | CSA1.5 | CSA1.5 |
| STVM300/P | 300L | SS PTFE LINED | CSA2 | PR16/4 |
| STPM50/P | 50L | SS PTFE LINED | CSA1.5 | PR6/3 |
| STPM100/P | 100L | SS PTFE LINED | CSA1.5 | PR9/3 |
| STPM200/P | 200L | SS PTFE LINED | CSA1.5 | CSA1.5 |
| STPM300/P | 300L | SS PTFE LINED | CSA2 | PR16/4 |
FLAMEPROOF STIRRER DRIVES
A 1400 RPM 3 Phase flameproof motor coupled with reduction gear is supplied along with a flexible shaft. Motor is mounted on a metal base frame, which is designed to install easily with a Glass Assembly. .
| Cat.Ref. | HP | RPM |
|---|---|---|
| RPM | RPM | 192 |
| FSD 1 | FSD 1 | 192 |
SPEED REGULATORS
3 Phase non-flameproof regulators and Flameproof VFD Type regulator are available to control the speed of stirrer drives
| Cat.Ref. | Phase | Type |
|---|---|---|
| VFD 0.5* | 3 | VFD |
EXPLOSION PROOF STIRRER DRIVE
We also offer Ex certified motor coupled with bonfiglioli gearbox for better safety and performance.
| Cat.Ref. | HP | RPM |
|---|---|---|
| FSD 0.5/ Ex | 0.5 | 192 |